Stínění kabelu slouží jako ochrana před šumem. Ten se projevuje zhoršenou kvalitou obrazového, zvukového nebo datového výstupu. Proti rušení je vybavena i celá řada napájecích kabelů (zpravidla ferritový váleček u konektoru), u kterých jde však spíše o určitou pojistku. Většina koncových zařízení, například notebooků, obsahuje ještě přímo ve svém těle kondenzátory, jež mají na starost právě filtraci napětí. Více informací v článku.

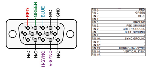
Jednotlivé vodiče VGA a DVI kabelu mají svoji vlastní izolaci (zpravidla PVC) a následně jsou krouceny a celý svazek je obalen jednou nebo dvěma vrstvami hliníkové, případně pletené hliníkové fólie. Kromě toho jsou na většině VGA/DVI kabelů ještě ferritové prstence proti rušení. Obalové fólie jsou s konektorovou hlavou zpravidla spojeny pouze na jedné straně, aby se zabránilo „tvorbě antény“. Proto je vždy dobré pečlivě utáhnout šroubky na hlavě konektoru, aby se stínění mělo kam uzemnit. Ke stínění (anglicky shield/shielding) slouží u VGA a DVI kabelů také celá řada pinů, viz obrázek níže.
Systém stínění HDMI a DisplayPort kabelů se velmi podobá tomu u VGA a DVI konektorů, přesto se zde častěji setkáte s tím, že na kabelu chybí ferritový prstenec. Je tomu tak pravděpodobně pod tlakem na minimalizaci tloušťky kabelu a snazší instalaci. I kabel bez ferritového prstence, pokud má dobře realizované stínění, může poskytovat perfektní obraz.

Firma Inakustik je opravdovým etalonem v oblasti kabeláže a s jejími HDMI kabely určitě chybu neuděláte
Vhodné je zejména vyhnout se nákupu levných kabelů z Číny a Asie obecně. Na internetu najdete zkušenosti uživatelů, kteří měli na metrovém HDMI kabelu z Asie nekvalitní signál a po jeho rozříznutí zjistili, že váleček obsahující ferritový prstenec je prázdný a na kabelu není vůbec žádné stínění (žádná hliníková fólie).
Alza.cz prodává pouze kvalitní kabeláž, a i když si u nás koupíte základní kabel za několik stokorun, měl by vám fungovat k plné spokojenosti. Pravda je však taková, že dražší kabely mají zpravidla delší životnost, vyšší datovou propustnost a kvalitnější stínění, takže vydrží déle a často přežijí i vaši televizi. Platí tak ověřené pravidlo, že je rozumné jít „zlatou střední cestou“ kabelu střední třídy od renomované značky. Pouze si dejte pozor na to, že velmi drahé kabely s mohutným stíněním mohou být relativně tvrdé, takže k ohybu vyžadují více prostoru.